
客服中心:400-055-6878
手 機:18833390060(微信同號)
18833390050(微信同號)
Q Q:1330226644
2244881518
郵 箱:hanyae@163.com
![]() | EGR 概述 ◆ 接地、漏電電流測量和保護
|
EGR 保護功能
? 配電線路接地故障保護
? 一般負載接地故障保護
? 單相接地故障保護
? 高阻性接地故障保護
EGR 產品信息
主要信息
產品名稱 EGR
產品類型 數碼式接地電流故障保護繼電器
繼電器應用 接地故障保護(零序檢測法)
額定電源電壓 [Us] 85....264VAC/DC
復位方式 手動復位/自動復位
額定絕緣電壓 [Ui] 600 V AC 主回路 符合 CSA
600 V AC 主回路 符合 UL
690 V AC 主回路 符合 IEC 60947-4-1
補充信息
電源頻率 50...60 Hz
安裝方式 35mm導軌安裝或螺釘固定
電磁兼容性 傳導輻射 class A 符合 EN 55011
免于電磁干擾 10 V/m 符合 IEC 61000-4-3
靜電放電抗擾 8 kV 隔空 符合 IEC 61000-4-2
靜電放電抗擾 6 kV 直接模式 符合 IEC 61000-4-2
免于快速瞬變 2 kV 符合 IEC 61000-4-4
沖擊耐受電壓 6 kV 符合 IEC 61000-4-5
高頻傳導干擾 10 V 符合 IEC 61000-4-6
輔助觸點類型 1 C(1-SPDT)
約定發熱電流 [Ith] 5A 適用信號回路
與繼電器配合使用的熔絲 5 A gG 適用 信號回路
5 A BS 適用 信號回路
額定沖擊耐受電壓 [Uimp] 6 kV
時間范圍 0.0.3 ,0.05,0.1...10s
接線能力 信號回路 : lugs-ring terminals 接線片外徑?: 7 mm
Signalling circuit : screw clamp terminals 1 cable(s) 1...2.5 mm2 - cable stiffness: flexible - with cable end cable end
Signalling circuit : screw clamp terminals 1 cable(s) 1...2.5 mm2 - cable stiffness: flexible - without cable end cable end
Signalling circuit : screw clamp terminals 2 cable(s) 1...2.5 mm2 - cable stiffness: flexible - with cable end cable end
Signalling circuit : screw clamp terminals 2 cable(s) 1...2.5 mm2 - cable stiffness: flexible - without cable end cable end
緊固扭矩 信號回路 : 1.7 N.m 螺絲: M3.5
環境
符合標準 IEC 60255-6
IEC 60947
產品認證 CSA UL CE
防護措施 TH 符合 IEC 60068
IP 保護等級 IP20 符合 VDE 0106
IP20 符合 IEC 60529
環境溫度 -25...60 °C 不降容 符合 IEC 60947-4-1
貯存環境溫度 -30...80 °C
工作海拔 2000 m
抗沖擊、震動性能 抗沖擊性能 15 gn (11ms) IEC 60068-2-7
抗震性能 4 gn IEC 60068-2-6
絕緣性能 2 kV 在…上 50 Hz 符合 IEC 60255-5
質保期 18個月
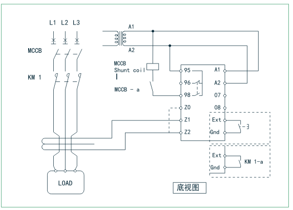
EGR 參考接線


EGR 外形尺寸

EGR 產品訂購


相關下載